NEWS CENTER
新闻中心
您的位置:
特灵约克开利冷冻油的更换-烟台佩兰空调.
来源: | 作者:pmt9ea45a | 发布时间: 1970-01-01 | 5959 次浏览 | 🔊 点击朗读正文 ❚❚ | 分享到:
1、排油
正常油位2~5英寸油箱全满时8英寸测量方法如下:
特灵RTHD冷冻油的更换
Plan-air  烟台佩兰空调技术服务有限公司提供分享
1、排油
正常油位2~5英寸油箱全满时8英寸测量方法如下:
 


首先全负荷运行机组20分钟停止机组,油加热器断电后用一根表管连接油箱下侧的排油阀排出并测量排出的油量

2、油充注
通过油箱底部的排油阀加入冷冻油根据排出冷冻油的数量,上电加热油温
主油过滤器的更换
1、关闭过滤器前后两个球阀隔离油过滤器
2、通过球阀和过滤器之间的维修阀释放管内压力
3、用扳手卸下过滤器的固定螺母
4、顺时针旋转螺母直到过滤器元件与管路分离
5、除去过滤器元件并测量过滤器内部的油量
6、在过滤器安装碗内装入正确的油量后用扳手把新的过滤器元件逆时针旋转安装在管路上并拧紧
7、连接压力表把过滤器组件抽真空至500微米
8、打开各隔离阀

 


 




特灵RTHB螺杆机组  

油过滤器的更换
1、在油过滤器上游检修阀处连接双表并关闭表阀
2、关闭过滤器上下游所有检修阀
3、缓慢开启压力表的阀门将过滤器内的压力和油释放到一容器内
4、待压力表压力显示为0时使用橡皮锤时针旋转油滤星形螺纹接口取下过滤器
5、将新的过滤器盛适量冷冻油放好过滤器逆时针旋转星形螺纹接口直到扣紧
6、先将双表连接的表阀关闭再重新打开所有维修阀并检查有无漏点
7、拆下接管和双表并清理机组和现场
备注专用工具双表锤子或管钳

冷冻油的更换
1、在油箱注油阀处连接双表及表管双表关闭状态
2、打开注油阀缓慢打开表阀将冷冻油放到确定容积的容器内
3、直到机组的油放尽时关闭表阀
4、计算放出的冷冻油数量
5、根据放出的冷冻油量用手动油泵充入等量的新油
6、关闭阀门拆下双表检查漏点并清理现场
备注专用工具双表手动油泵
 



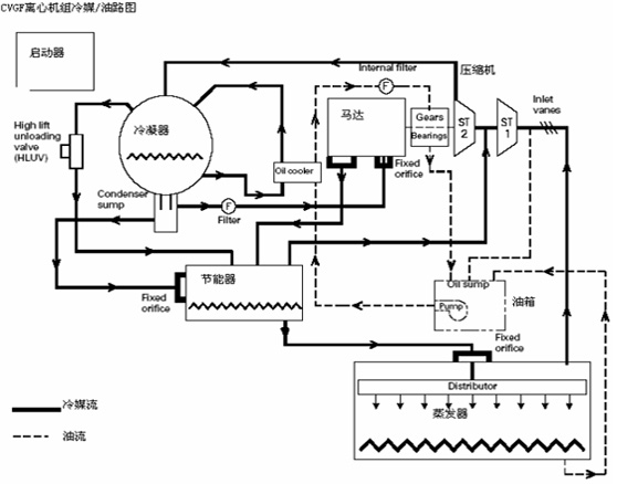
特灵CVGF离心机组  
 

 

 
冷冻油更换
1、移出机组内部冷冻油
首先停机并断开机组油加热电源用连接管连接机组油箱底部排油阀到一容器打开排油阀开始放油直到有冷媒蒸汽出现关闭机组排油阀
2、加入冷冻机油
冷冻油型号OIL00049 数量15 加仑 通常包装形式5加仑/桶
注意事项此种油应保存在金属桶内以防止吸收水分
3、加入方式采用手动油泵从排油阀处加入额定量冷冻油

油过滤器的更换
1、使机组处于停机模式
2、找到油过滤器的两个隔离阀
3、从油过滤器进口隔离阀处的1/4角阀连接一个管子使之能够从过滤器内移出冷媒和油
4、关闭两个隔离阀
5、打开角阀以回收过滤器腔内的冷媒和油
6、松开螺栓并移开油过滤器的端盖
7、移开油过滤器和密封圈更换新的过滤器及密封圈
8、安装过滤器盖并锁紧螺栓
9、 对其抽真空至0.5MMHG
10、打开两个隔离阀关好各阀及阀盖 5
11、手动测试机组油泵
12、检查机组油位如低于油视镜应补充冷冻油







特灵CVHE离心机组  
 

油过滤器更换程序
1、运转油泵2~3分钟以使油过滤器与油箱温度相同
2、关闭油泵马达
3、关闭油过滤器后的截流阀拉出锁定销旋转三通阀至排空位置使过滤器内的油被吸入油箱时间30分钟
4、旋转三通阀至更换位置
5、更换油过滤器保证油滤安装严密
6、旋转三通阀至运行位置
7、以开启排气系统以排除可能进入机组的空气
8、清理机组妥善处理换下的油滤
备注:如不能用手拆下过滤器可用大号管钳

冷冻油更换程序
1、准备盛油容器7.5L(油箱在蒸发器上机组)10L油箱在蒸发器下的机组
2、给油箱加热器断电位置在控制柜的1CB3开关
3、连接手动油泵至油箱排油阀使用手油泵吸油端接到机组排油阀需要变径接头
4、打开排油阀并手动抽油一直到不能抽出冷冻油为止
5、关闭油箱排油阀并调换手油泵使其泵出端接到机组排油阀
6、泵入油箱标准油量正常油位在油箱视镜可见
7、给油加热恢复送电
8、清理机组妥善处理换下的冷冻油
备注:专用工具手油泵双表变径接头







约克YS螺杆机组
 

 
A:更换冷冻机油                                                          
1.首先给机组断电                                                        
2. 连接一个3/8的管子到油分离器底部放油阀另一端放在一个回收容器里                                             
3.  缓慢打开机组的放油阀,直到机组内的冷冻油放尽,关闭该阀                                                       
4. 连接一个手动油泵到机组放油阀(注意排净加油管内的空气)                                                          
5.加入正确型号的冷动机油,直到油位达到油分上侧的视镜中部。          
6.关闭放油阀,给机组上电加热冷冻油。
 

B:更换油过滤器  
A)       更换条件:
1,机组运行200小时。2,机组油过滤器压差达到20PSIG。3,每年保养时更换油过滤器和密封圈  
B)       更换方法:
1,关闭过滤器两侧隔离阀
1,  连接双表到过滤器上侧释放阀,释放过滤器内的冷媒压力和油
2,  旋转下过滤器壳体
3,  移走过滤器芯并更换新的过滤器芯
4,  安装好过滤器外壳
5,  可以抽空过滤器内空气至5毫米汞柱
6,  打开两侧隔离阀,并拆下连接管  
 
C:更换干燥过滤器
1,  关闭5个隔离阀(下图中3)
2,  小心拆除干燥器保温
3,  释放管内压力,从引射区侧
4,  松开过滤器两侧纳子,拆下干燥过滤器
5,  必须更换连接的密封垫,换上新的干燥器
6,  拧紧两侧纳子,用力60FT-LB
7,  抽真空到500微米
8,  打开5个隔离阀
 
 

 













约克YK离心机
 

机组润滑系统说明
A:更换主油过滤器:(见上图)
1,关闭油过滤器两侧阀门。
2,从油过滤器外壳下方角阀放出内部压力。
3,使用专用直杆扳手旋下过滤器外壳,小心更换内部滤芯。
4,将外壳角阀关闭,并充满冷冻油,顺时针安装好滤器外壳。
5,打开两侧截止阀并检查有无漏点。
B:更换干燥过滤器(见下图)


 
1, 关闭冷凝器气体管路、干燥器进口、转子支座回油管的截止阀。
2,  更换干燥器
3,  装好新的干燥器
4,  打开冷凝器截止阀,对干燥器接头进行检漏
5,  打开所有截止阀
 
  C:更换冷冻机油:(见下图)
1,  机组停机
2,  连接双表至邮箱底部角阀,放出机组的冷冻机油
3,  将油泵入口浸入新油桶内,出口接管连接到邮箱角阀,先抽几下油泵将管内的空气排干净后,再打开邮箱角阀,开始泵油。
4,  加油到邮箱油位上升到上面视镜中部为止,关闭加油阀,断开手动油泵。
加油完毕,马上接通电源,使加热器通电,以降低冷冻机油内的冷媒含量。
 


D:制冷剂充注量 (R134a)
 




约克YT离心机组
 


A:更换主油过滤器:(见上图)
1,关闭油过滤器两侧阀门。
2,使用专用直杆扳手旋下过滤器外壳,小心更换内部滤芯。
3,将外壳角阀关闭,并充满冷冻油,顺时针安装好滤器外壳。
4,打开两侧截止阀并检查有无漏点。

B:干燥过滤器的更换
 

 



1, 关闭冷凝器气体管路、干燥器进口、转子支座回油管的截止阀。
2,更换干燥器:a、拆下干燥器上入口端的连接。b、在干燥出口和入口端及扩管接头螺母上放置扳手,拧松接头螺母,旋出干燥器。
3,装好新的干燥器:将干燥器的出口和入口端放在扩管接头螺母之间,拧紧接头螺母。
4,打开冷凝器截止阀,对干燥器接头进行检漏
5,打开所有截止阀

C:更换冷冻机油:(见下图)
1,  机组停机
2,  连接双表至邮箱底部角阀,并接至手动油泵吸油口,抽出油箱的冷冻油。
3,  将油泵入口浸入新油桶内,出口接管连接到邮箱角阀,先抽几下油泵将管内的空气排干净后,再打开邮箱角阀,开始泵油。
4,  加油到邮箱油位上升到上面视镜中部为止,关闭加油阀,断开手动油泵。
5,  加油完毕,马上接通电源,使加热器通电,以降低冷冻机油内的冷媒含量。
D:制冷剂充注:(R123)